
目录
序言
一、音量控制电路
🍊1.设置工作环境
🍊 2.设置原理图图纸
🍊 3.设置图纸的标题栏
🍊 4.放置元器件
🍊 5.编辑元器件属性
🍊 6. 布局元器件
NI Multisim最突出的特点之一就是用户界面友好。它可以使电路设计者方便、快捷地使用虚拟元器件和仪器、仪表进行电路设计和仿真。
首先启动NI Multisim 14.0,打开如图所示的启动界面,完成初始化后,便可进入主窗口。


打开之后,我们先来了解一下 NI Multisim 14.0的主界面。

主窗口包括标题栏、菜单栏、工具栏、工作区域、电子表格视图(信息窗口)、状态栏及项目管理器7个部分。
上期我们了解了 NI Multisim 14.0的参数属性设置,现在我们来了解一下操作实例——音量控制电路。
音量控制是所有音响设备中必不可少的单元电路。本实例将设计一个音量控制电路,用于控制音响系统的音量、音效和音调,如低音(bass)和高音(treble)。
(1)单击图标 NI Mulhsim 14.0 ,打开NI Multinim 14.0。如图所示:

(2)单击“标准”工具栏中的“新建”按钮
,弹出“New Design”(新建设计文件)对话框,选择“Blank and recent”选项,如图所示。单击【Create】按钮,创建一个 PCB项目文件。

(3)选择菜单栏中的“文件”→“保存工程为”命令,将项目另存为“音量控制电路.ms14”,“设计工具箱”面板中将显示出用户设置的名称,如图所示。

选择菜单中的“选项”→“电路图属性”命令,系统弹出“电路图属性”对话框,按照如图设置图纸大小,完成设置后,单击“确认”按钮,关闭对话框。

选择菜单栏中的“绘制” →“标题块”命令,在弹出的“打开”对话框中选择标题块模板,如图所示。

单击“打开”按钮,在图纸右下角放置图所示的标题块。

选择菜单栏中的“编辑”→“标题块位置”→“右下”命令,精确放置标题栏,如图所示。

(1)选择菜单栏中的“绘制”→“元器件”命令,打开“选择一个元器件”对话框,选择“主数据库”→Basic组→RATED_VIRTUAL”系列,选中元器件 RESITOR_RATED,如图所示:

①双击该元器件或单击“确认”按钮,然后将光标移动到工作窗口,进入如图所示的电阻放置状态。

② 在适当的位置单击,即可在原理图中放置电阻R1,同时编号为R2的电阻自动附在光标上,继续放置电阻,如图所示:

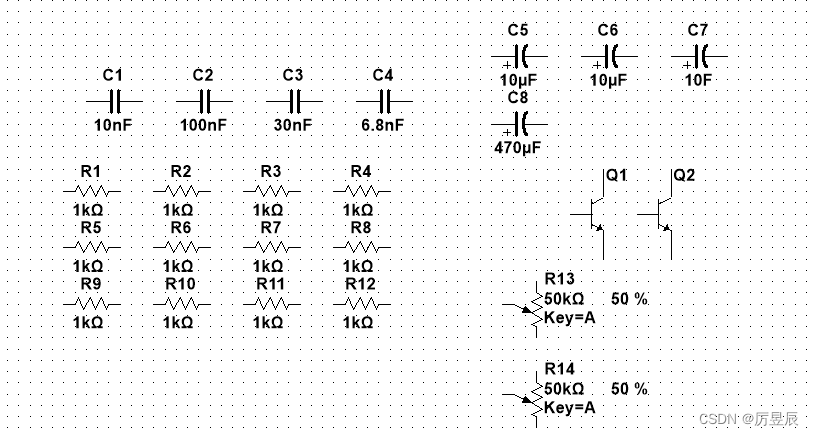
(2)选择“主数据库→Basic→CAPACITOR”系列,显示无极性电容元器件,元器件库中的电容器均为真实元器件,包括不同容值的无极性电容性,一个参数值对用一个唯一的元器件,如图所示。

①选择值为10nF的电容器,双击该元器件或单击“确认”按钮,然后将光标移动到工作窗口,放置该电容元器件,如图所示。

②继续放置不同值的电容器元器件,该电路中还包括的无极性电容有100nF、6.8nF、30nF 电容,放置结果如图所示。

(3)选择“主数据库→Basic→CAP_ELECTROLIT”系列,显示极性电容元器件,如图所示。

① 选择值为10 μF 的电容器,双击该元器件或单击“确认”按钮,然后将光标移动到工作窗口,放置3个该电容元器件,如图所示。

② 选择值为470 μF 的电容器,双击该元器件或单击“确认”按钮,然后将光标移动到工作窗口,放置1个该电容元器件,如图所示。

(4)选择“主数据库→Transistors-TRANSISTORS_VIRTUAL”系列,选中晶体管元器件 BJT_NPN,如图所示。

① 双击该元器件或单击“确认”按钮,然后将光标移动到工作窗口,放置两个晶体管元器件,如图所示。

按〈ESC〉键,返回“选择一个元器件”对话框。
② 单击“搜索”按钮,弹出“元器件搜索”对话框,在“元器件”栏输人“*meter*”。如图所示:

单击“搜索”按钮,在“搜索结果”对话框中显示符合关键词的结果,如图所示。

③单击“确认”按钮,返回“选择一个元器件”对话框,显示搜索结果所在库路行如图所示,

在左侧列表框中单击该选项,显示该电位器列表中不同阻值的元器件、选择电路需要的“50k”,如图所示。

④采用同样的方法选择和放置两个电位器,如图所示:

至此完成所有元器件的放置,结果如图所示:

(1)双击其中一个电位器,系统会弹出相应的属性设置对话框,在“标签”选项卡中修改“RefDes”(标识符),如图所示。

(2)同样的方法修改另一个电位器元器件,结果如图所示。

虽然库中包含不同参数值的真实元器件,但同样包括不存在的虚拟元器件。在本电路中,电阻器是自定义绘制的,默认阻值为1Ω,其余阻值的电阻器需要在该真实元器件的基础上进行修改,得到虚拟元器件。
本例中用到12个电阻,为R1~R12,阻值分别为 560 kΩ、470 kΩ、2.2 kΩ、1 kΩ、12kΩ、1.2 kΩ、3.3 kΩ、8.2 kΩ、2.7 kΩ、10kΩ、2.2kΩ和560Ω。
(3)双击其中一个电阻,系统会弹出相应的属性设置对话框,如图所示。

(4)单击
按钮,弹出“重命名元器件位号”对话框,如图所示:

在该对话框中设置元器件编号,结果如图所示:

(5)由于电阻器元器件中引脚名称显示,需要取消,单个修改过于烦琐,因此统一取消该电路中引脚名称的显示,下面介绍具体操作。
选择菜单栏中的“选项”→“电路图属性”命令,弹出“电路图属性”对话框,在“电路图可见性”选项卡中取消“符号管脚名称”复选框的勾选,如图所示。

元器件放置完成后,需要适当进行调整,将它们分别排列在原理图中最恰当的位置,这样有助于后续的设计。
(1)单击选中元器件,按住鼠标左键进行拖动,将元器件移至合适的位置后释放鼠标左键,即可对其完成移动操作。在移动对象时,可以通过按鼠标中键来缩放视图,以便观察细节。
(2)选中元器件,按〈ALT〉+〈X〉或(ALT〉+〈Y〉键实现镜像元器件,按〈Ctrl〉+〈R〉键或〈Ctrl〉+〈Shift〉+〈R〉键实现旋转元器件。
(3)采用同样的方法调整所有元器件,效果如图所示:

整体图纸如图所示:
